
SKX-2000T型 心電模擬檢測儀(符合最新的心電國家標準GB9706.227、GB9706.225、GB9706.247)
同時集成老標準《YY1139-2013》,《YY0885-2013》,《JJG1041-2008》
可以選擇我公司的共模抑制比檢定裝置SKX-2000TF型一起使用,可以將新標準檢測完整

尺寸重量說明(以下均為手工測量,可能略有誤差,具體以實物為準)
名稱 | 長(cm) | 寬(cm) | 高(cm) |
機器尺寸 | 27 | 20 | 16 |
中號皮箱尺寸 | 40.5 | 31 | 20 |
紙箱尺寸 | 47 | 38.5 | 26.5 |
總重量(機器、皮箱、紙箱):6.35公斤 | |||
SKX-2000T 心電模擬檢測儀 功能特點:
1、內置大容量鋰電池,可長時間工作,降低信號干擾。
2、內置高性能CPU和高精度DA芯片,進行波形模擬。
3、采用7寸觸摸TFT彩色液晶屏顯示模擬波形及參數內容,美觀大方,方便觀察及對比波形,采用觸摸屏及按鍵可以選擇操作使用,方便快捷。
4、可以獨立設置模擬波形的各項參數。
5、提供儀器的檢測內容提示及幫助,可方便快速的檢測心電類產品的相關參數。
6、依托詳細的使用說明書,可以輕松快捷的生成檢測報告。
7、集成醫藥行業標準(醫療設備廠家采用的標準):《GB9706-227-2021》、《GB9706-225-2021》、《GB9706-247-2021》、
《YY0885-2013》、《YY1139-2013》。
8、集成國家計量檢定標準(質檢局采用的檢定規程):《JJG1041-2008》。
SKX-2000T 心電模擬檢測儀 功能簡介:
★ 儀器包含14個功能窗口,分別為基礎波形窗口、9706-227-2021全部檢測項目窗口、9706-227-2021自定義檢測項窗口、系統參數設置窗口、
呼吸檢測窗口、母親胎兒合成心電波形窗口、ST異常心電波形窗口、異常心電波形PVCS窗口、9706-225-2021心電圖機檢測窗口、JJG1041窗口、
P-QRS-T-U可調整波形窗口、YY1139窗口、YY0885窗口、9706-247-2021動態心電檢測窗口,每個窗口可以通過實體按鍵4個方向鍵進行選擇,也
可以通過觸摸直接選擇。
★ 基礎波形可輸出方波,三角波,正弦波,QRS,快速QRS,QRS-T,脈沖信號,用于心電類設備檢測。
★ 可輸出呼吸波形及呼吸率數值。
★ 可輸出母親胎兒合成心電波形、ST異常心電波形、異常心電波形PVCS。
★ 可選配共模抑制比檢定裝置。
★ 可選配心電波形數據庫功能,AHA,Mit-Bih,ESC,NST,CU數據庫,其中AHA免費的有兩條記錄,其余為收費記錄需單獨購買。
★ 可選配USB串口或者藍牙進行遠程命令控制。

SKX-2000T 心電模擬檢測儀 適用范圍:
從患者身體通過無創心電電極檢測獲得生物電信號,放大和傳輸這些信號,顯示心率和/或心電波形,以及可調的報警限對持續發生的與心率相關的
下列現象提供報警:心臟停跳,心動過緩,心動過速。
★ 便攜式監護儀和電池供電的監護儀
★ 基于心電圖的手術室和重癥監護的心率監護儀
★ 使用遙測的重癥和轉送心電監護儀
★ 新生兒/小兒監護儀
★ 心率失常監護儀和除顫監護儀
★ 帶顯示屏幕的心電圖機
SKX-2000T 心電參數:
基礎波形:
方 波:波形頻率:0.001Hz-999Hz
波形幅度:0.01mV-10.00mV
三 角 波:波形頻率:1Hz-50Hz
波形幅度:0.01mV-10.00mV
正 弦 波:波形頻率:0.01Hz-500Hz
波形幅度:0.01mV-10.00mV
Q R S : 波形頻率:0bpm-300bpm
波形幅度:0.01mV-10.00mV
波形寬度:5mS-120mS
快速QRS :波形頻率:0bpm-350bpm
波形幅度:0.01mV-10.00mV
波形寬度:2mS-120mS
Q R S- T : 波形頻率:10bpm-200bpm
波形幅度:0.01mV-10.00mV
波形寬度:40mS-120mS
T 波幅度:0.0mV-2.0mV
脈沖信號: 波形頻率:30bpm-300bpm
波形幅度:0.01mV-10.00mV
波形方向:上、下
脈沖寬度:0.1mS-2.0mS(特殊包含有40,50,60,70,80,90us)
脈沖幅度:0mV-1300mV
呼吸檢測:
R 波頻率:0bpm-350bpm
R 波幅度:0.01mV-10.00mV
調整步長:0.01mV、0.05mV、0.1mV、1mV
底部寬度:5mS-120mS
T 波幅度:0.0mV-2.0mV
呼 吸 率 :0rbpm-200rbpm
呼吸幅度:0.0 R-3.0 R
母親胎兒合成心電波形:
母親心率:0bpm-350bpm
波形幅度:0.01mV-10.00mV
調整步長:0.01mV、0.05mV、0.1mV、1mV
基部寬度:5mS-120mS
T 波幅度:0.0mV-2.0mV
胎兒心率:0bpm-200bpm
波形幅度:0.00mV-70.00mV
底部寬度:5mS-50mS
T 波幅度:0.0mV-0.5mV
ST異常心電波形:
R 波頻率 :0bpm-350bpm
R 波幅度 :0.01mV-10.00mV
ST段幅度:-0.90mV-0.90mV
調整步長 :0.01mV、0.05mV、0.1mV、1mV
異常心電波形PVCS:
波形類型 :異常波形選擇
重復周期 :設置異常波形出現的周期間隔范圍10-300
PQRST心電波形:
P波 幅 度:0.00mV-0.50mV
P波 周 期:80mS-120mS
P - Q 間隔:20mS-150mS
Q波 幅 度:0.00mV-0.80mV
Q波前時長:0mS-30mS
R波 幅 度:0.20mV-6.00mV
QRS寬 度:40mS-200mS
S波 幅 度:0.00mV-2.00mV
S波后時長:5mS-80mS
S T 時 長:40mS-250mS
S T 幅 度:-0.90mV-+0.10mV
T波 幅 度:0.00mV-1.00mV
T波 周 期:40mS-300mS
T - U 間隔:0mS-200mS
U波 周 期:5mS-40mS
U波 幅 度:0.00mV-0.50mV
U - P 間隔:100mS-1000mS
通過不同參數設置,可直接模擬CAL05000,CAL10000,CAL15000等波形輸出。
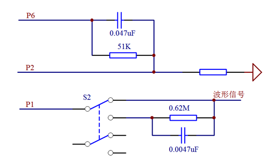
SKX-2000T 等效內部連線圖(并內置繼電器,用于切換導聯及阻容網絡,實現軟件自動控制信號切換,提高檢測速度)
SKX-2000T關于波形部分輸出的等效圖如下,閉合開關S2,波形信號經過阻容網絡后連接到P1,斷開開關S2
波形信號將直接輸出到P1。開關S2等效于“YY 1079-2008 心電監護儀”圖8中的開關S1。
P6端為連接阻容網絡后P2端。P1端與P2端之間無阻容網絡,兩端之間為輸出的波形信號,
等效于“YY 1079-2008 心電監護儀”圖8中的P1和P2端,P6端等效于P6端。
開關S1是呼吸波形開關,當選擇呼吸波形時選擇開關為“Ⅰ”,檢測心電波形時選擇為“0”。


P1端默認連接RA,LA、LL、C、RL默認連接P2端,RL通過控制可以連接P6端
可通過內置繼電器在軟件中控制RA,LA、LL、C分別連接P1端,其他自動連接P2端,如果需要手動切換導聯線,則請注意P2端默認連接的是LL,LA,C,RL端。
操作功能介紹
控制面板如下圖:

RA端默認連接P1,LA,LL,V,,RL默認連接為P2,P6的四個端子部分內部為短路連接;與最下角端子間連接-100K電阻。
按鍵介紹:
MENU 有任何菜單下返回系統界面
SETUP 在任何菜單下進入系統設置界面
PGUP 在主界面進行選項向上翻頁
PGDN 在主界面進行選項向下翻頁
方向鍵控制菜單中的光標移動
回車鍵表示確認更改菜單或進入選項
假如用戶需要檢測標準里的共模抑制比這個項目,那需要另行購買共模檢定裝置配合2000T儀器使用即可。型號為
SKX-2000TF型。

更詳細的內容介紹及操作說明,請下載最新說明書查看